Máy bơm ly tâm trục đứng WILO Helix FIRST V 1015-5/25/E/KS/400-50
- Mã: Helix FIRST V 1015-5/25/E/KS/400-50
- Công suất: 5.5Kw
- Điện áp: 400V/3pha/50Hz
- Thương hiệu: Wilo (Đức)
- Xuất xứ: Pháp
Giá: Liên hệ
THÔNG TIN SẢN PHẨM
.jpg)
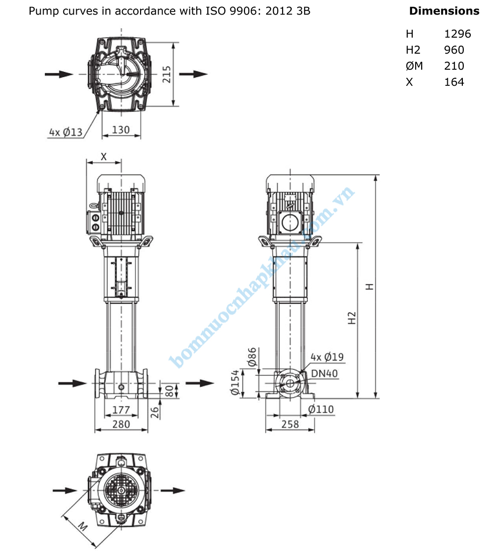
THÔNG SỐ KỸ THUẬT
| Model |
Helix FIRST V 1015-5/25/E/KS/400-50 |
|
| Công suất |
5.5Kw |
|
| Điện áp |
400V/3pha/50Hz |
|
| Cột áp |
max |
150m |
| Lưu lượng |
max |
16m3/h |
| Nhiệt độ nước |
max |
<120 độ C |
| Đường kính |
DN |
40 – 40 mm |
| Cấp độ bảo vệ |
IP 55 |
|
| Vật liệu |
Cánh bơm |
AISI304 |
|
Trục bơm |
AISI304 |
|
| Trọng lượng |
máy |
76 Kg |
| Nhà sản xuất |
WILO (Đức) |
|
| Xuất xứ |
Pháp |
|
| Bảo hành |
12 tháng |
|

(Biểu đồ máy bơm ly tâm trục đứng WILO Helix FIRST V 1015-5/25/E/KS/400-50)

(Sơ đồ kích thước Máy bơm ly tâm trục đứng WILO Helix FIRST V 1015-5/25/E/KS/400-50)
THÔNG TIN SẢN PHẨM
Máy bơm ly tâm trục đứng WILO Helix FIRST V 1015-5/25/E/KS/400-50 là loại bơm được sản xuất theo công nghệ của Đức, sản xuất tại nhà máy Pháp. Là một trong những nước hàng đầu về chế tạo máy móc công nghiệp nặng.
Nhằm cho ra những sản phẩm tốt nhất đáp ứng mọi nhu cầu của hệ thống công nghiệp.
TÍNH NĂNG NỔI BẬT
+ Máy bơm ly tâm trục đứng WILO Helix FIRST V 1015-5/25/E/KS/400-50 là khả năng có thể bơm được nước ở nhiệt độ cao lên đến 120 độ C.
+ Vật liệu cấu thành bền bỉ.
+ Cánh bơm, trục bơm hoàn toàn bằng thép không gỉ 100% đảm bảo nguồn nước sử dụng luôn sạch sẽ, không bị nhiễm khuẩn bởi vật liệu.
+ Thiết kế nhỏ gọn nhưng hiệu suất làm việc luôn cao đem lại hiệu quả kinh tế cho việc sản xuất hoặc kính doanh.
+ Máy có tuổi thọ cao
PHƯƠNG THỨC VẬN CHUYỂN
Miễn phí giao hàng một số khu vực trong nội thành Tp.HCM.
+ Miễn phí: Quận 1,3,5,6,8,10,11, Tân Bình, Tân Phú, Bình Tân, Phú Nhuận, Bình Thạnh, Gò Vấp.
+ Thu phí: Quận 2,7,9,12, Hóc Môn, Bình Chánh, Nhà Bè…
Đối với đơn hàng ngoại tỉnh: Công ty sẽ giao hàng tại địa điểm người mua yêu cầu (mọi chi phí phát sinh sẽ do Quý Khách tự thanh toán).
Công ty TNHH Đầu Tư Phát Triển Long Phát là nhà phân phối độc quyền các dòng máy bơm nước nhập khẩu từ các thương hiệu nổi tiếng toàn cầu.
Chúng tôi cam kết bán hàng chính hãng, giá cả cạnh tranh, giao hàng chuyên nghiệp và bảo hành chu đáo.
Bên cạnh đó công ty còn phân phối các dòng sản phẩm như thiết bị thổi khí, đĩa phân phối khí... từ các hãng thiết bị hàng đầu thế giới như PENTAX, ZENIT, TAIKO SSR, FAGGIOLATI, ETATRON, SAER và MAC-3 ...
Máy bơm hỏa tiễn Maro 4MRM4/8-0.75
Công suất: 1 HP
Lưu lượng tối đa: 1.2 – 6.0 m3/h
Cột áp tối đa: 52 – 18 m
Họng xả: 60 mm
Máy bơm hồ bơi Maro SCPB 200E
Công suất: 2 HP
Lưu lượng tối đa: 465 l/phút
Cột áp tối đa: 17 m
Điện áp: 220V
Máy bơm định lượng Maro DFD-02-07-M
Công suất: 30 W
Lưu lượng: 2 l/h
Áp lực: 7 bar
Điện áp: 220V




.png)





